Product
产品中心·规格:DN8~DN1200(1/4~48寸)
·设计标准:GB、ANSI
·压力等级:10~320Bar,CL150LB~1500LB
·驱动方式:气动
·连接方式:法兰式
·气缸可选:单作用或双作用
·附件可选:气源三联件、手动装置、定位器(调节型)
·阀体材质:碳钢、不锈钢、双向钢、合金钢等
·主要应用:电力、水利、石油、化工、蒸汽、导热油反应釜等需要调节流量的场合
温度控制阀,简称温控阀是流量调节阀在温度控制领域的典型应用,其基本原理:通过控制换热器、空调机组或其他用热、冷设备、一次热(冷)媒入口流量,以达到控制设备出口温度。当负荷产生变化时,通过改变阀门开启度调节流量,以消除负荷波动造成的影响,使温度恢复至设定值。
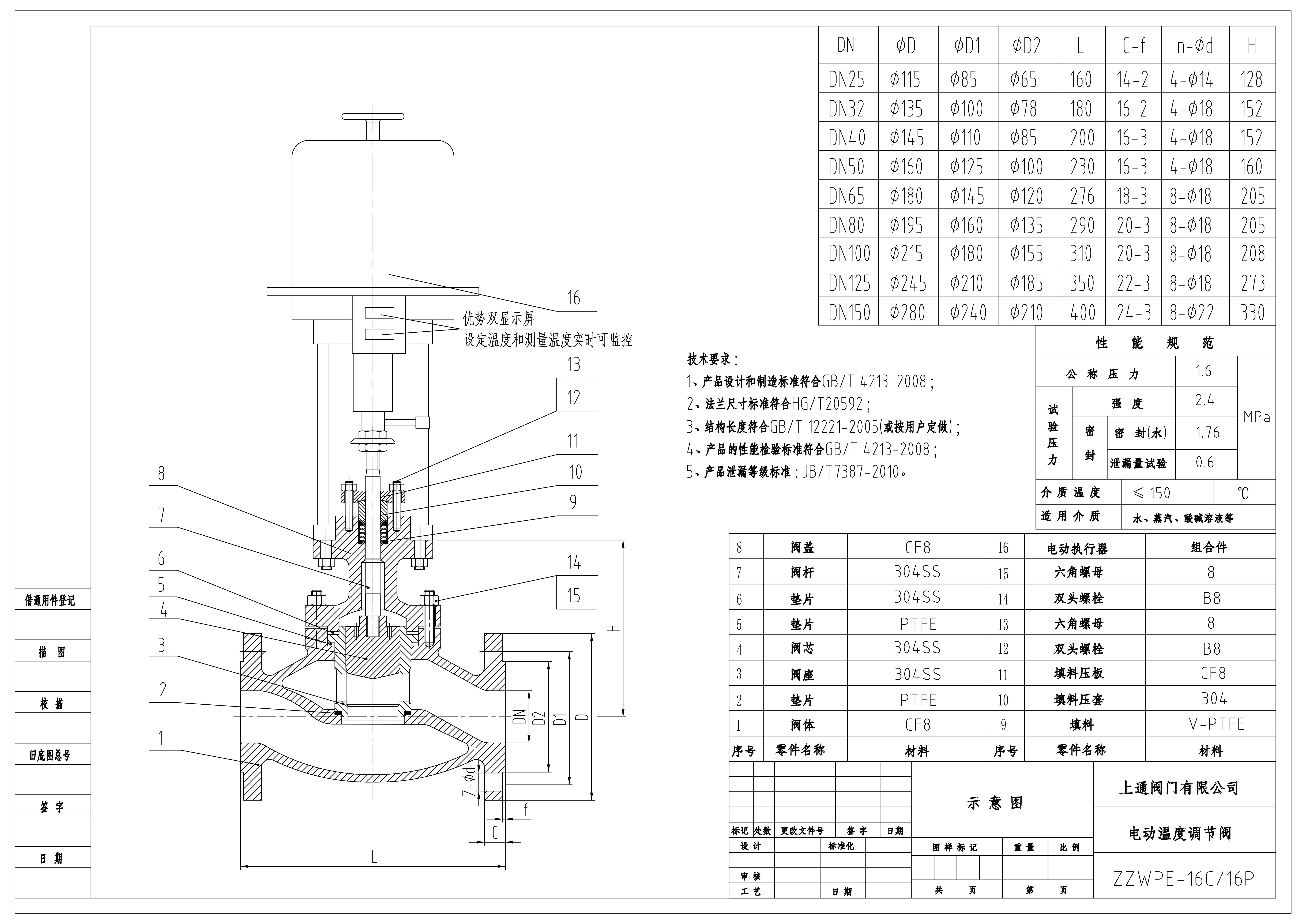
电动温控阀是在暖通空调等温度控制领域的典型应用。控制器具有PI、PID调节功能,控制精确,多回路控制,功能多样,可实现流体流量、压力、压差、温度、湿度、焓值和空气质量的控制。执行器有电动机械式和电动液压式,带有手动和自动调节功能,调节灵敏,关断力大,流量特性可调(线性等百分比)。电动液压式执行器带断电自动复位保护功能,可接收 0-10V或4-20MA的信号并带有阀位反馈功能。阀体为流量调节阀,适用于循环管路冷冻水、低压热水、生活热水、高压热水、海水、热油、和蒸汽的调节线性好,可调比大,密封严密,耐高温,防汽蚀
基本原理
用户室内的温度控制是通过散热器恒温控制阀来实现的。散热器恒温控制阀是由恒温控制器、流量调节阀以及一对连接件组成,其中恒温控制器的核心部件是传感器单元,即温包。温包可以感应周围环境温度的变化而产生体积变化,带动调节阀阀芯产生位移,进而调节散热器的水量来改变散热器的散热量。
恒温阀设定温度可以人为调节,恒温阀会按设定要求自动控制和调节散热器的水量,从而来达到控制室内温度的目的。温控阀一般是装在散热器前,通过自动调节流量,实现居民需要的室温。温控阀有二通温控阀和三通温控阀之分。
三通温控阀主要用于带有跨越管的单管系统,其分流系数可以在0~100%的范围内变动,流量调节余地大,但价格比较贵,结构较复杂。二通温控阀有的用于双管系统,有的用于单管系统。用于双管系统的二通温控阀阻力较大;用于单管系统的阻力较小。温控阀的感温包与阀体一般组装成一个整体,感温包本身即是现场室内温度传感器。如果需要,可以采用远程温度传感器;远程温度传感器置于要求控温的房间,阀体置于供暖系统上的某一部位。
